- Главная
- Каталог
- Крепеж
- Фланцы, заглушки, втулки
- Фланцы свободные
- Фланцы свободные ГОСТ 12822-80 на приварном кольце
Фланцы свободные ГОСТ 12822-80 на приварном кольце
Фланец стальной свободный на приварном кольце — обязательный элемент трубопровода, необходимый для создания надёжного, герметичного соединения труб с различным оборудованием, например, запорной арматурой
Способ изготовления
Стальные фланцы на приварном кольце производятся двумя способами:
- Литьё. Расплавленный металл вливается в форму нужной геометрии. После остывания материала, осуществляется дополнительная механическая обработка, позволяющая удалить заусенцы и прочие дефекты. Это недорогой способ, однако существует вероятность, что внутри детали образуются воздушные мешки, снижающие прочность изделия.
- Резка. С помощью газовой или плазменной технологии деталь выпиливается из цельного листа стали, а затем дополнительно обрабатывается на станке. Арматура, произведённая таким способом, отличается высокой прочностью, поэтому она подходит для использования в трубопроводах с высоким давлением.
Фланец стальной свободный на приварном кольце — обязательный элемент трубопровода, необходимый для создания надёжного, герметичного соединения труб с различным оборудованием, например, запорной арматурой.
Особенности конструкции
Фланцы на приварном кольце ГОСТ представляют собой конструкцию, состоящую из двух частей: кольца и фланца. Важно, чтобы эти элементы имели одинаковое поперечное сечение. По сравнению с другими разновидностями — плоскими и воротниковыми моделями, свободные варианты отличаются более простым и удобным способом монтажа, поэтому фланцы на приварном кольце часто применяют в труднодоступных местах или участках, требующих регулярного ремонта.
Особенности монтажа
Фланец стальной свободный ГОСТ 12822 80 часто называют свободновращающийся, что объясняется особенностями конструкции изделия и способом монтажа. Сам процесс выглядит так:
- Фланец надевается на трубу, но не фиксируется.
- Кольцо, которым оборудовано изделия, стыкуется с участком при помощи сварки.
Такой способ обеспечивает максимально простой, но эффективный и надёжный монтаж.
Фланцы свободные на приварном кольце, изготовленные с соблюдением требований ГОСТ, обладают следующими параметрами:
- рабочее давление, МПа: от 0,1 до 2,5;
- диапазон температур, оС: от −30 до +300;
- материал изготовления: сталь разных марок (20, 09Г2С, 12Х18Н9Т и других);
- номинальный диаметр, мм: от 15 до 1200.
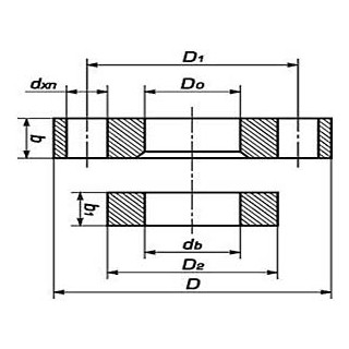
Размеры свободных фланцев ГОСТ 12822-80
- Исполнение 1 — это фланцы свободные с соединительным выступом;
- Исполнение 2 — это фланцы свободные с выступом;
- Исполнение 3 — это фланцы свободные с впадиной;
- Исполнение 4 — это фланцы свободные с шипом;
- Исполнение 5 — это фланцы свободные с пазом;
- Исполнение 6 — это фланцы свободные с шипом под фторопласт;
- Исполнение 7 — это фланцы свободные с пазом под фторопласт.
Таблица 1 — Фланцы свободные на приварном кольце
| Dу-Ру (мм-МПа) | Масса 1 фланца, кг | Dу-Ру (мм-МПа) | Масса 1 фланца, кг | Dу-Ру (мм-МПа) | Масса 1 фланца, кг | Dу-Ру (мм-МПа) | Масса 1 фланца, кг |
|---|---|---|---|---|---|---|---|
| 10×0,1/0,25/0,6 | 0,29 | 10×1,0 | 0,52 | 10×1,6 | 0,61 | 10×2,5 | 0.69 |
| 15×0,1/0,25/0,6 | 0,33 | 15×1,0 | 0,58 | 15×1,6 | 0,67 | 15×2,5 | 0,77 |
| 20×0,1/0,25/0,6 | 0,41 | 20×1,0 | 0,82 | 20×1,6 | 0,93 | 20×2,5 | 1,05 |
| 25×0,1/0,25/0,6 | 0,60 | 25×1,0 | 0,96 | 25×1,6 | 1,10 | 25×2,5 | 1,24 |
| 32×0,1/0,25/0,6 | 0,87 | 32×1,0 | 1,49 | 32×1,6 | 1,68 | 32×2,5 | 1,87 |
| 40×0,1/0,25/0,6 | 1,01 | 40×1,0 | 1,92 | 40×1,6 | 2,13 | 40×2,5 | 2.35 |
| 50×0,1/0,25/0,6 | 1,11 | 50×1,0 | 2,27 | 50×1,6 | 2,54 | 50×2,5 | 2,79 |
| 65×0,1/0,25/0,6 | 1,55 | 65×1,0 | 3,01 | 65×1,6 | 3,31 | 65×2,5 | 3,43 |
| 80×0,1/0,25/0,6 | 2,05 | 80×1,0 | 3,77 | 80×1,6 | 4,11 | 80×2,5 | 4,25 |
| 100×0,1/0,25/0,6 | 2.38 | 100×1,0 | 4,55 | 100×1,6 | 4,93 | 100×2,5 | 6,19 |
| 125×0,1/0,25/0,6 | 2,84 | 125×1,0 | 6,09 | 125×1,6 | 6,56 | 125×2,5 | 8,82 |
| 150×0,1/0,25/0,6 | 3.94 | 150×1,0 | 7,86 | 150×1,6 | 8,48 | 150×2,5 | 10,52 |
| 200×0,1/0,25/0,6 | 4,93 | 200×1,0 | 9,02 | 200×1,6 | 9,36 | 200×2,5 | 12,62 |
| 250×0,1/0,25/0,6 | 6.38 | 250×1,0 | 11,30 | 250×1,6 | 13,90 | 250×2,5 | 17,72 |
| 300×0,1/0,25/0,6 | 10,35 | 300×1,0 | 13,87 | 300×1,6 | 17,90 | 300×2,5 | 22,82 |
| 350×0,1/0,25/0,6 | 13,50 | 350×1,0 | 18,02 | 350×1,6 | 22,80 | 350×2,5 | 31,73 |
| 400×0,1/0,25/0,6 | 17.04 | 400×1,0 | 24,38 | 400×1,6 | 29,08 | 400×2,5 | 42.51 |
| 450×0,1/0,25/0,6 | 20,06 | 450×1,0 | 25,64 | 450×1,6 | 35,30 | 450×2,5 | 48,15 |
| 500×0,1/0,25/0,6 | 25,44 | 500×1,0 | 33,25 | 500×1,6 | 49,26 | 500×2,5 | 64,57 |
Таблица 2 — Кольца приварные
| Dу-Ру (мм-МПа) | Масса 1 кольца, кг (исполнение1) | Масса 1 кольца, кг (исполнение2) | Масса 1 кольца, кг (исполнение3) | Dу-Ру (мм-МПа | Масса 1 кольца, кг (исполнение1) | Масса 1 кольца, кг (исполнение2) | Масса 1 кольца, кг (исполнение3) |
|---|---|---|---|---|---|---|---|
| 10×0,1/0,25/0,6 | 0,05 | 0,04 | 0,04 | 10×1,0 | 0,08 | 0.08 | 0,07 |
| 15×0,1/0,25/0,6 | 0,06 | 0,05 | 0,05 | 15×1,0 | 0,11 | 0,09 | 0,08 |
| 20×0,1/0,25/0,6 | 0,12 | 0,10 | 0,09 | 20×1,0 | 0,20 | 0,18 | 0,17 |
| 25×0,1/0,25/0,6 | 0,16 | 0,13 | 0,13 | 25×1,0 | 0,27 | 0,23 | 0,22 |
| 32×0,1/0,25/0,6 | 0,21 | 0,18 | 0,17 | 32×1,0 | 0,34 | 0,30 | 0,29 |
| 40×0,1/0,25/0,6 | 0,27 | 0,23 | 0,22 | 40×1,0 | 0,42 | 0,37 | 0,35 |
| 50×0,1/0,25/0,6 | . 0,35 | 0,32 | 0,30 | 50×1,0 | 0,62 | 0,55 | 0,54 |
| 65×0,1/0,25/0,6 | 0,55 | 0,49 | 0,46 | 65×1,0 | 0,90 | 0,82 | 0,78 |
| 80×0,1/0,25/0,6 | 0,73 | 0,65 | 0,63 | 80×1,0 | 1,10 | 0,98 | 0,97 |
| 100×0,1/0,25/0,6 | 0,88 | 0.81 | 0,75 | 100×1,0 | 1,31 | 1,24 | 1.11 |
| 125×0,1/0,25/0,6 | 1.27 | 1,11 | 1,02 | 125×1,0 | 1.96 | 1.84 | 1,71 |
| 150×0,1/0,25/0,6 | 1,75 | 1,58 | 1,44 | 150×1,0 | 2,43 | 2,26 | 2,03 |
| 200×0,1/0,25/0,6 | 2,06 | 1,95 | 1,80 | 200×1,0 | 2,94 | 2,83 | 2,58 |
| 250×0,1/0,25/0,6 | 2,53 | 2,40 | 2,20 | 250×1,0 | 3,78 | 3,66 | 3,35 |
| 300×0,1/0,25/0,6 | 3,40 | 3,20 | 2.87 | 300×1,0 | 4,24 | 4,08 | 3,58 |
| 350×0,1/0,25/0,6 | 3,71 | 3,49 | 3,131 | 350×1,0 | 6,33 | 6,09 | 5,44 |
| 400×0,1/0,25/0,6 | 5,14 | 4,89 | 4,471 | 400×1,0 | 8,15 | 8,43 | 7,08 |
| 450×0,1/0,25/0,6 | 5,92 | 5,57 | 5,171 | 450×1,0 | 8,44 | 8,15 | 7,35 |
| 500×0,1/0,25/0,6 | 7,05 | 6,73 | 6,101 | 500×1,0 | 10,58 | 10,22 | 9,33 |
Таблица 3 — Кольца приварные
| Dу-Ру (мм-МПа) | Масса 1 кольца, кг (исполнение1) | Масса 1 кольца, кг (исполнение2) | Масса 1 кольца, кг (исполнение3) | Dу-Ру (мм-МПа) | Масса 1 кольца, кг (исполнение1) | Масса 1 кольца, кг (исполнение2) | Масса 1 кольца, кг (исполнение3) |
|---|---|---|---|---|---|---|---|
| 10×1,6 | 0,10 | 0,09 | 0,08 | 10×2,5 | 0,12 | 0.11 | 0.10 |
| 15×1,6 | 0,13 | 0,11 | 0,10 | 15×2,5 | 0,15 | 0,14 | 0,12 |
| 20×1,6 | 0,24 | 0.22 | 0,20 | 20×2,5 | 0,27 | 0,24 | 0,23 |
| 25×1,6 | 0,31 | 0,28 | 0,25 | 25×2,5 | 0,36 | 0,32 | 0,31 |
| 32×1,6 | 0,46 | 0,41 | 0,39 | 32×2,5 | 0,46 | 0,40 | 0,39 |
| 40×1,6 | 0,56 | 0,51 | 0,49 | 40×2,5 | 0.56 | 0.58 | 0,57 |
| 50×1,6 | 0,71 | 0,64 | 0,62 | 50×2,5 | 0,79 | 0,72 | 0,71 |
| 65×1,6 | 1,01 | 0,94 | 0,93 | 65×2,5 | 1,12 | 1,05 | 1,01 |
| 80×1,6 | 1,23 | 1,12 | 1,10 | 80×2,5 | 1,37 | 1,26 | 1,25 |
| 100×1,6 | 1,64 | 1,57 | 1,51 | 100×2,5 | 1,95 | 1,88 | 1,78 |
| 125×1,6 | 2.18 | 2.06 | 2.04 | 125×2,5 | 2,61 | 2,50 | 2,37 |
| 150×1,6 | 2,98 | 2,79 | 2,55 | 150×2,5 | 3,63 | 3,37 | 3,19 |
| 200×1,6 | 3,24 | 3,12 | 3,00 | 200×2,5 | 4,34 | 4,15 | 4,03 |
| 250×1,6 | 4,12 | 4,00 | 3,69 | 250×2,5 | 6,04 | 5,68 | 5,61 |
| 300×1,6 | 5,51 | 5,17 | 4,85 | 300×2,5 | 7,45 | 6,82 | 6,79 |
| 350×1,6 | 7,97 | 7,52 | 7,08 | 350×2,5 | 10,43 | 9,64 | 9,54 |
| 400×1,6 | 10,12 | 9,62 | 9,05 | 400×2,5 | 13.60 | 12,63 | 12.57 |
| 450×1,6 | 12,48 | 11,55 | 11,36 | 450×2,5 | 14,36 | 13,29 | 13,27 |
| 500×1,6 | 16,86 | 15,58 | 15,61 | 500×2,5 | 19,21 | 17,73 | 17,94 |
Достоинства изделий
Фланцы на приварном кольце обладают рядом преимуществ:
- Просты и удобны в монтаже, поэтому подходят для использования в самых труднодоступных местах.
- Благодаря свободному вращению кольца процесс стыковки с отверстиями для болтов упрощается.
- Не контактируют с рабочей средой, что позволяет применять варианты из недорогой углеродистой стали, дополненные трубами с антикоррозийным покрытием.
- Можно использовать повторно.
Санкт-Петербургский завод-производитель «Элементы систем гидравлики» предлагает купить фланцы свободновращающиеся, изготовленные из различных марок стали. Вся продукция имеет необходимые сертификаты качества и паспорта. А если остались вопросы, сотрудники компании ответят на них, подробно расскажут о реализуемых фланцах, помогут оформить заказ.
Способ изготовления
Стальные фланцы на приварном кольце производятся двумя способами:
- Литьё. Расплавленный металл вливается в форму нужной геометрии. После остывания материала, осуществляется дополнительная механическая обработка, позволяющая удалить заусенцы и прочие дефекты. Это недорогой способ, однако существует вероятность, что внутри детали образуются воздушные мешки, снижающие прочность изделия.
- Резка. С помощью газовой или плазменной технологии деталь выпиливается из цельного листа стали, а затем дополнительно обрабатывается на станке. Арматура, произведённая таким способом, отличается высокой прочностью, поэтому она подходит для использования в трубопроводах с высоким давлением.
Фланец стальной свободный на приварном кольце — обязательный элемент трубопровода, необходимый для создания надёжного, герметичного соединения труб с различным оборудованием, например, запорной арматурой.
Особенности конструкции
Фланцы на приварном кольце ГОСТ представляют собой конструкцию, состоящую из двух частей: кольца и фланца. Важно, чтобы эти элементы имели одинаковое поперечное сечение. По сравнению с другими разновидностями — плоскими и воротниковыми моделями, свободные варианты отличаются более простым и удобным способом монтажа, поэтому фланцы на приварном кольце часто применяют в труднодоступных местах или участках, требующих регулярного ремонта.
Особенности монтажа
Фланец стальной свободный ГОСТ 12822 80 часто называют свободновращающийся, что объясняется особенностями конструкции изделия и способом монтажа. Сам процесс выглядит так:
- Фланец надевается на трубу, но не фиксируется.
- Кольцо, которым оборудовано изделия, стыкуется с участком при помощи сварки.
Такой способ обеспечивает максимально простой, но эффективный и надёжный монтаж.
Фланцы свободные на приварном кольце, изготовленные с соблюдением требований ГОСТ, обладают следующими параметрами:
- рабочее давление, МПа: от 0,1 до 2,5;
- диапазон температур, оС: от −30 до +300;
- материал изготовления: сталь разных марок (20, 09Г2С, 12Х18Н9Т и других);
- номинальный диаметр, мм: от 15 до 1200.
Размеры свободных фланцев ГОСТ 12822-80
- Исполнение 1 — это фланцы свободные с соединительным выступом;
- Исполнение 2 — это фланцы свободные с выступом;
- Исполнение 3 — это фланцы свободные с впадиной;
- Исполнение 4 — это фланцы свободные с шипом;
- Исполнение 5 — это фланцы свободные с пазом;
- Исполнение 6 — это фланцы свободные с шипом под фторопласт;
- Исполнение 7 — это фланцы свободные с пазом под фторопласт.
Таблица 1 — Фланцы свободные на приварном кольце
| Dу-Ру (мм-МПа) | Масса 1 фланца, кг | Dу-Ру (мм-МПа) | Масса 1 фланца, кг | Dу-Ру (мм-МПа) | Масса 1 фланца, кг | Dу-Ру (мм-МПа) | Масса 1 фланца, кг |
|---|---|---|---|---|---|---|---|
| 10×0,1/0,25/0,6 | 0,29 | 10×1,0 | 0,52 | 10×1,6 | 0,61 | 10×2,5 | 0.69 |
| 15×0,1/0,25/0,6 | 0,33 | 15×1,0 | 0,58 | 15×1,6 | 0,67 | 15×2,5 | 0,77 |
| 20×0,1/0,25/0,6 | 0,41 | 20×1,0 | 0,82 | 20×1,6 | 0,93 | 20×2,5 | 1,05 |
| 25×0,1/0,25/0,6 | 0,60 | 25×1,0 | 0,96 | 25×1,6 | 1,10 | 25×2,5 | 1,24 |
| 32×0,1/0,25/0,6 | 0,87 | 32×1,0 | 1,49 | 32×1,6 | 1,68 | 32×2,5 | 1,87 |
| 40×0,1/0,25/0,6 | 1,01 | 40×1,0 | 1,92 | 40×1,6 | 2,13 | 40×2,5 | 2.35 |
| 50×0,1/0,25/0,6 | 1,11 | 50×1,0 | 2,27 | 50×1,6 | 2,54 | 50×2,5 | 2,79 |
| 65×0,1/0,25/0,6 | 1,55 | 65×1,0 | 3,01 | 65×1,6 | 3,31 | 65×2,5 | 3,43 |
| 80×0,1/0,25/0,6 | 2,05 | 80×1,0 | 3,77 | 80×1,6 | 4,11 | 80×2,5 | 4,25 |
| 100×0,1/0,25/0,6 | 2.38 | 100×1,0 | 4,55 | 100×1,6 | 4,93 | 100×2,5 | 6,19 |
| 125×0,1/0,25/0,6 | 2,84 | 125×1,0 | 6,09 | 125×1,6 | 6,56 | 125×2,5 | 8,82 |
| 150×0,1/0,25/0,6 | 3.94 | 150×1,0 | 7,86 | 150×1,6 | 8,48 | 150×2,5 | 10,52 |
| 200×0,1/0,25/0,6 | 4,93 | 200×1,0 | 9,02 | 200×1,6 | 9,36 | 200×2,5 | 12,62 |
| 250×0,1/0,25/0,6 | 6.38 | 250×1,0 | 11,30 | 250×1,6 | 13,90 | 250×2,5 | 17,72 |
| 300×0,1/0,25/0,6 | 10,35 | 300×1,0 | 13,87 | 300×1,6 | 17,90 | 300×2,5 | 22,82 |
| 350×0,1/0,25/0,6 | 13,50 | 350×1,0 | 18,02 | 350×1,6 | 22,80 | 350×2,5 | 31,73 |
| 400×0,1/0,25/0,6 | 17.04 | 400×1,0 | 24,38 | 400×1,6 | 29,08 | 400×2,5 | 42.51 |
| 450×0,1/0,25/0,6 | 20,06 | 450×1,0 | 25,64 | 450×1,6 | 35,30 | 450×2,5 | 48,15 |
| 500×0,1/0,25/0,6 | 25,44 | 500×1,0 | 33,25 | 500×1,6 | 49,26 | 500×2,5 | 64,57 |
Таблица 2 — Кольца приварные
| Dу-Ру (мм-МПа) | Масса 1 кольца, кг (исполнение1) | Масса 1 кольца, кг (исполнение2) | Масса 1 кольца, кг (исполнение3) | Dу-Ру (мм-МПа | Масса 1 кольца, кг (исполнение1) | Масса 1 кольца, кг (исполнение2) | Масса 1 кольца, кг (исполнение3) |
|---|---|---|---|---|---|---|---|
| 10×0,1/0,25/0,6 | 0,05 | 0,04 | 0,04 | 10×1,0 | 0,08 | 0.08 | 0,07 |
| 15×0,1/0,25/0,6 | 0,06 | 0,05 | 0,05 | 15×1,0 | 0,11 | 0,09 | 0,08 |
| 20×0,1/0,25/0,6 | 0,12 | 0,10 | 0,09 | 20×1,0 | 0,20 | 0,18 | 0,17 |
| 25×0,1/0,25/0,6 | 0,16 | 0,13 | 0,13 | 25×1,0 | 0,27 | 0,23 | 0,22 |
| 32×0,1/0,25/0,6 | 0,21 | 0,18 | 0,17 | 32×1,0 | 0,34 | 0,30 | 0,29 |
| 40×0,1/0,25/0,6 | 0,27 | 0,23 | 0,22 | 40×1,0 | 0,42 | 0,37 | 0,35 |
| 50×0,1/0,25/0,6 | . 0,35 | 0,32 | 0,30 | 50×1,0 | 0,62 | 0,55 | 0,54 |
| 65×0,1/0,25/0,6 | 0,55 | 0,49 | 0,46 | 65×1,0 | 0,90 | 0,82 | 0,78 |
| 80×0,1/0,25/0,6 | 0,73 | 0,65 | 0,63 | 80×1,0 | 1,10 | 0,98 | 0,97 |
| 100×0,1/0,25/0,6 | 0,88 | 0.81 | 0,75 | 100×1,0 | 1,31 | 1,24 | 1.11 |
| 125×0,1/0,25/0,6 | 1.27 | 1,11 | 1,02 | 125×1,0 | 1.96 | 1.84 | 1,71 |
| 150×0,1/0,25/0,6 | 1,75 | 1,58 | 1,44 | 150×1,0 | 2,43 | 2,26 | 2,03 |
| 200×0,1/0,25/0,6 | 2,06 | 1,95 | 1,80 | 200×1,0 | 2,94 | 2,83 | 2,58 |
| 250×0,1/0,25/0,6 | 2,53 | 2,40 | 2,20 | 250×1,0 | 3,78 | 3,66 | 3,35 |
| 300×0,1/0,25/0,6 | 3,40 | 3,20 | 2.87 | 300×1,0 | 4,24 | 4,08 | 3,58 |
| 350×0,1/0,25/0,6 | 3,71 | 3,49 | 3,131 | 350×1,0 | 6,33 | 6,09 | 5,44 |
| 400×0,1/0,25/0,6 | 5,14 | 4,89 | 4,471 | 400×1,0 | 8,15 | 8,43 | 7,08 |
| 450×0,1/0,25/0,6 | 5,92 | 5,57 | 5,171 | 450×1,0 | 8,44 | 8,15 | 7,35 |
| 500×0,1/0,25/0,6 | 7,05 | 6,73 | 6,101 | 500×1,0 | 10,58 | 10,22 | 9,33 |
Таблица 3 — Кольца приварные
| Dу-Ру (мм-МПа) | Масса 1 кольца, кг (исполнение1) | Масса 1 кольца, кг (исполнение2) | Масса 1 кольца, кг (исполнение3) | Dу-Ру (мм-МПа) | Масса 1 кольца, кг (исполнение1) | Масса 1 кольца, кг (исполнение2) | Масса 1 кольца, кг (исполнение3) |
|---|---|---|---|---|---|---|---|
| 10×1,6 | 0,10 | 0,09 | 0,08 | 10×2,5 | 0,12 | 0.11 | 0.10 |
| 15×1,6 | 0,13 | 0,11 | 0,10 | 15×2,5 | 0,15 | 0,14 | 0,12 |
| 20×1,6 | 0,24 | 0.22 | 0,20 | 20×2,5 | 0,27 | 0,24 | 0,23 |
| 25×1,6 | 0,31 | 0,28 | 0,25 | 25×2,5 | 0,36 | 0,32 | 0,31 |
| 32×1,6 | 0,46 | 0,41 | 0,39 | 32×2,5 | 0,46 | 0,40 | 0,39 |
| 40×1,6 | 0,56 | 0,51 | 0,49 | 40×2,5 | 0.56 | 0.58 | 0,57 |
| 50×1,6 | 0,71 | 0,64 | 0,62 | 50×2,5 | 0,79 | 0,72 | 0,71 |
| 65×1,6 | 1,01 | 0,94 | 0,93 | 65×2,5 | 1,12 | 1,05 | 1,01 |
| 80×1,6 | 1,23 | 1,12 | 1,10 | 80×2,5 | 1,37 | 1,26 | 1,25 |
| 100×1,6 | 1,64 | 1,57 | 1,51 | 100×2,5 | 1,95 | 1,88 | 1,78 |
| 125×1,6 | 2.18 | 2.06 | 2.04 | 125×2,5 | 2,61 | 2,50 | 2,37 |
| 150×1,6 | 2,98 | 2,79 | 2,55 | 150×2,5 | 3,63 | 3,37 | 3,19 |
| 200×1,6 | 3,24 | 3,12 | 3,00 | 200×2,5 | 4,34 | 4,15 | 4,03 |
| 250×1,6 | 4,12 | 4,00 | 3,69 | 250×2,5 | 6,04 | 5,68 | 5,61 |
| 300×1,6 | 5,51 | 5,17 | 4,85 | 300×2,5 | 7,45 | 6,82 | 6,79 |
| 350×1,6 | 7,97 | 7,52 | 7,08 | 350×2,5 | 10,43 | 9,64 | 9,54 |
| 400×1,6 | 10,12 | 9,62 | 9,05 | 400×2,5 | 13.60 | 12,63 | 12.57 |
| 450×1,6 | 12,48 | 11,55 | 11,36 | 450×2,5 | 14,36 | 13,29 | 13,27 |
| 500×1,6 | 16,86 | 15,58 | 15,61 | 500×2,5 | 19,21 | 17,73 | 17,94 |
Достоинства изделий
Фланцы на приварном кольце обладают рядом преимуществ:
- Просты и удобны в монтаже, поэтому подходят для использования в самых труднодоступных местах.
- Благодаря свободному вращению кольца процесс стыковки с отверстиями для болтов упрощается.
- Не контактируют с рабочей средой, что позволяет применять варианты из недорогой углеродистой стали, дополненные трубами с антикоррозийным покрытием.
- Можно использовать повторно.
Санкт-Петербургский завод-производитель «Элементы систем гидравлики» предлагает купить фланцы свободновращающиеся, изготовленные из различных марок стали. Вся продукция имеет необходимые сертификаты качества и паспорта. А если остались вопросы, сотрудники компании ответят на них, подробно расскажут о реализуемых фланцах, помогут оформить заказ.




