- Главная
- Каталог
- Крепеж
- Гайки
- Гайки колпачковые
- Гайка колпачковая, класс точности А ГОСТ 11860-85
Гайка колпачковая, класс точности А ГОСТ 11860-85
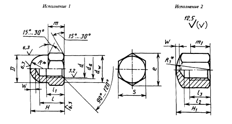
Гайки колпачковые, класс точности А ГОСТ 11860-85.
Класс точности: А.
Поле допуска резьбы: 6H.
Марка стали: 3, 20, 35, 45, 40Х, 09Г2С, 12Х13.
Класс прочности: 5; 6
Класс точности: А.
Поле допуска резьбы: 6H.
Марка стали: 3, 20, 35, 45, 40Х, 09Г2С, 12Х13.
Класс прочности: 5; 6




